Micro-Power Voltage Detector for Automotive Applications.
SGM818Q
SGM818Q.pdf
No.14150
FEATURES
? AEC-Q100 Qualified for Automotive Applications
Device Temperature Grade 1
TA = -40℃ to +125℃
? High Accuracy: ±1.6% (MAX)
? Low Supply Current: 1μA (TYP)
? Fixed Detection Voltages: 1.6V and 2.9V
? No External Components Required
? Quick Reset within 37μs (TYP)
? Reset Active Timeout Period
B Version: 50ms (nRESET)
Y Version: 7.0ms (nRESET)
? Low Functional Supply Voltage: 1V
? N-Channel Open-Drain Output
? Available in a Green SOT-23-3 Package
DESCRIPTION
The SGM818xQ is a low power consumption voltage detector with high accuracy detection. It operates with a supply voltage (VDD) range from 1V to 6V. It can provide circuit initialization for DSP-based and processor-based systems. The SGM818xQ offers two fixed threshold voltages of 1.6V and 2.9V.
Whenever VDD falls below a factory preset threshold level (VTH), the device will send out a reset signal. This signal will last the whole period until VDD recovers. Once VDD exceeds the release voltage (VTH + VHYS), the reset signal will maintain a certain delay time and be released.
This device is AEC-Q100 qualified (Automotive Electronics Council Standard Q100 Grade 1) and the use of this device is suitable for automotive applications.
The SGM818xQ is available in a Green SOT-23-3 package. It is specified over the -40℃ to +125℃ operating temperature range.
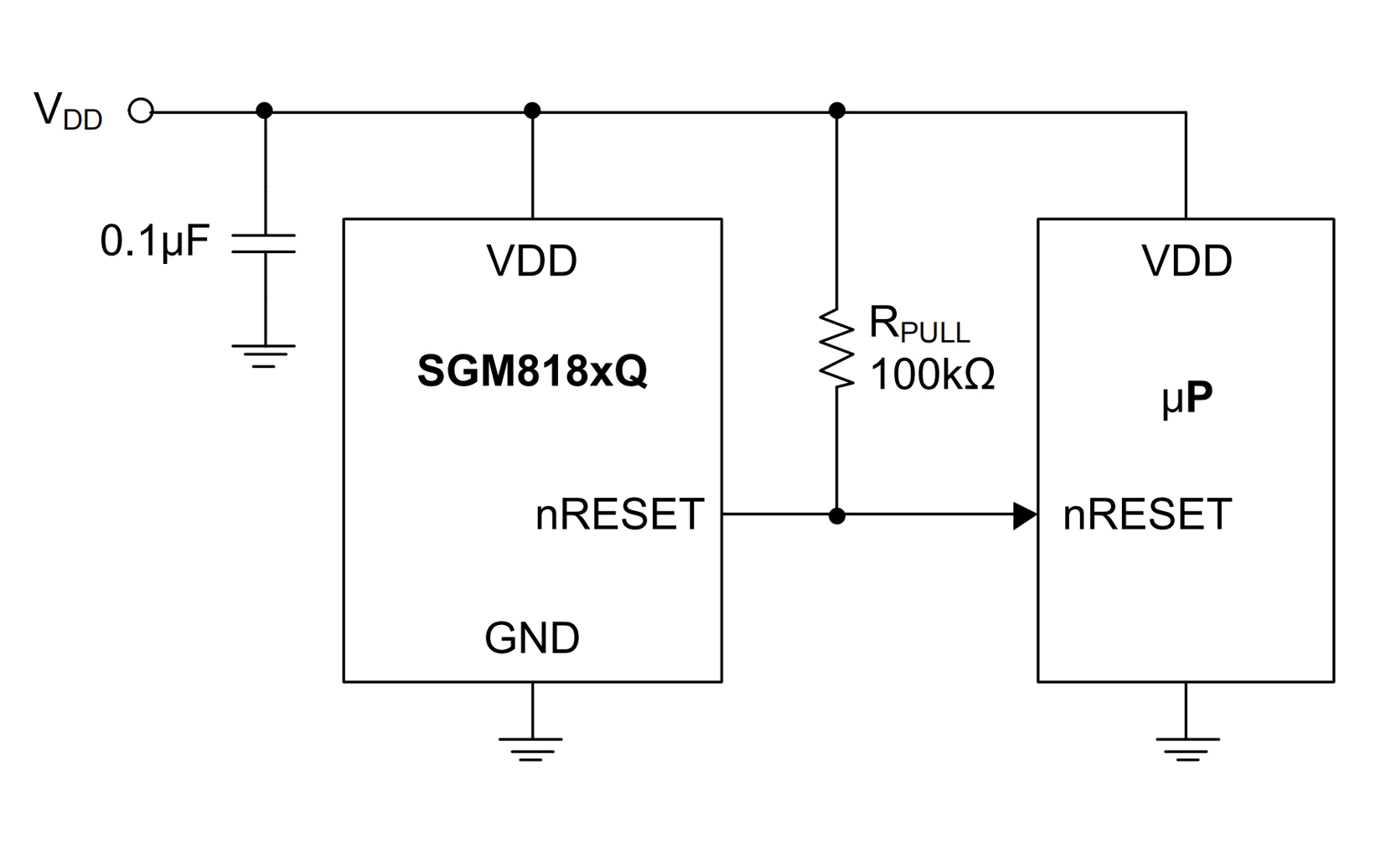
APPLICATION CIRCUIT

PIN CONFIGUTION
