Precision Voltage Supervisor with Programmable Window Watchdog Timer for Automotive Applications.
SGM850Q
SGM850Q.pdf
No.14154
FEATURES
? AEC-Q100 Qualified for Automotive Applications
Device Temperature Grade 1
TA = -40℃ to +125℃
? Functional Safety
Available Documentation in the Design of
Functional Safety Systems
? High Threshold Accuracy: 1.4% (MAX)
? Precision Over-Voltage and Under-Voltage
Monitoring:
Voltage Rails from 0.4V to 5.0V
Fault Windows Threshold: ±4% for
SGM850A-xQ and ±7% for SGM850B-xQ
0.7% Hysteresis
? Factory-Programmed Precision Watchdog and
Reset Timers:
±15% Accurate Watchdog and Reset Delays
? Watchdog Disable Feature
? Adjustable Watchdog Timeout Period
? Adjustable Reset Delay
? Operating Voltage Range: 1.6V to 6.5V
? Low Supply Current: 9μA (TYP)
? Active-Low, Open-Drain Outputs
? Available in a Green Small TDFN-3×3-10BL Package
DESCRIPTION
The SGM850xQ has an exact windowed voltage supervisor with 1.4% accuracy for both over-voltage (VIT + OV) and under-voltage (VIT - UV) thresholds over the temperature from -40℃ to +125℃. It also possesses accurate hysteresis on both thresholds for some systems that need small tolerance. The device output (nRESET) delay can either be determined by factory default settings, or be determined by the external capacitor at CRST pin.
The SGM850xQ has an adjustable watchdog timer and a special watchdog output (nWDO). The nWDO can be used to locate the fault causes. The watchdog timeout period can either be determined by factory default settings, or be determined by the external capacitor at CWD pin. The watchdog function can be closed through SETx (x = 0, 1) pin to prevent some specific watchdog timeout events.
The device is AEC-Q100 qualified (Automotive Electronics Council (AEC) standard Q100 Grade 1) and it is suitable for automotive applications.
The SGM850xQ is available in a Green TDFN-3×3-10BL package. It features wettable flanks for easy optical inspection.
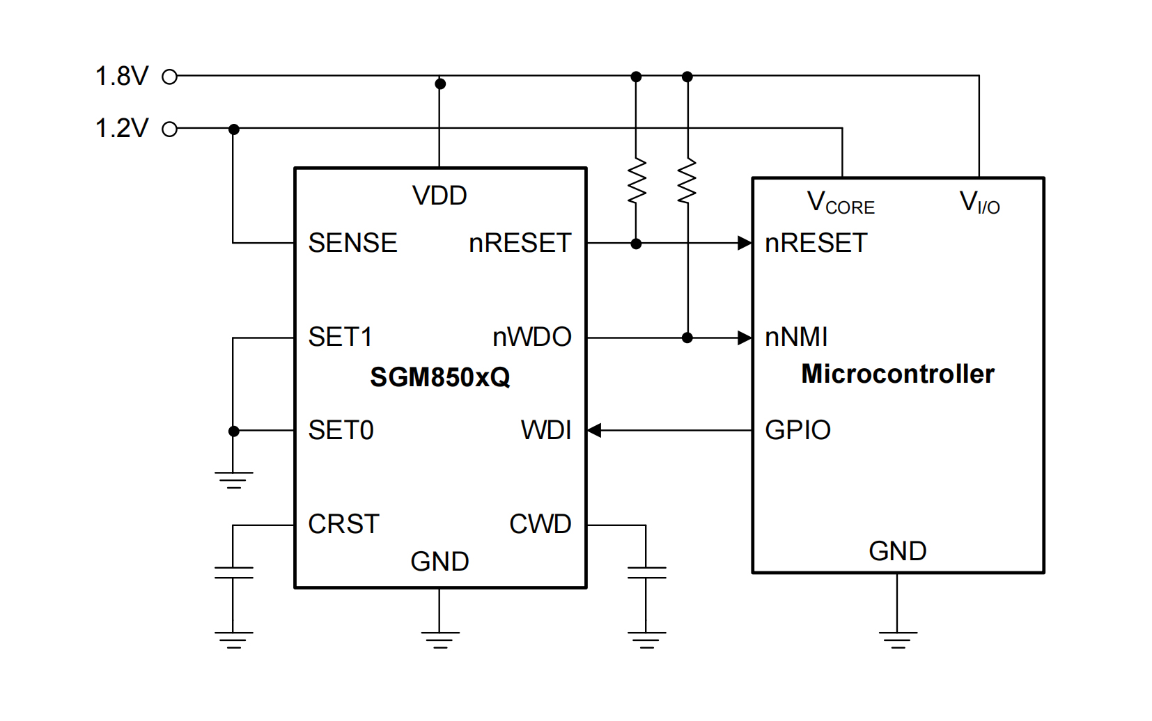
APPLICATION CIRCUIT

PIN CONFIGUTION
