No.10611
? Guaranteed On-Resistance 48Ω (TYP) with +5V Supply
? Guaranteed On-Resistance Match Between Channels
? Low Off-Leakage Current 1nA (TYP) at +25℃
? Low On-Leakage Current 1nA (TYP) at +25℃
? Optimized Rise Time and Fall Time of A, B Control Pins
to Reduce Clock Feedthrough Effect
? 2.5V to 5.5V Single-Supply Operation
? 1.8V Logic Compatible
? Low Distortion: 0.7% (RL = 600Ω, f = 20Hz to 20kHz)
? High Off-Isolation: -83dB (RL = 50Ω, f = 1MHz)
? Low Crosstalk: -110dB (f = 1MHz)
? -40℃ to +85℃ Operating Temperature Range
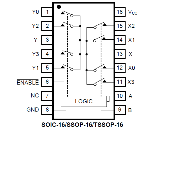
The SGM48752 is a CMOS analog IC configured as two 4-channel multiplexers. This CMOS device can operate from 2.5V to 5.5V single supplies. Each switch can handle rail-to-rail analog signals. The off-leakage current is only 1nA (TYP) at +25℃. All digital inputs can support 1.8V logic control I/O.
The SGM48752 is available in Green SOIC-16, SSOP-16, TSSOP-16 and TQFN-3×3-16L packages. It operates over an ambient temperature range of -40℃ to +85℃.
