No.10633
? Low Cost
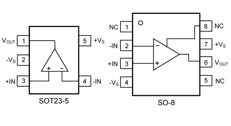
The SGM8061, SGM8062, SGM8063 are rail-to-rail output voltage feedback amplifiers offering ease of use and low cost. They have bandwidth and slew rate typically found in current feedback amplifiers. All have a wide input common-mode voltage range and output voltage swing, making them easy to use on single supplies as low as 2.5 V. Despite being low cost, the SGM8061 series provide excellent overall performance. they offer wide bandwidth to 500 MHz (G = +1) along with 0.1 dB
flatness out to 130 MHz (G = +1) and offer a typical low power of 8.2 mA/amplifier.
The SGM8061 series is low distortion and fast settling make it ideal for buffering high speed A/D or D/A converters. All are specified over the extended –40°C to +125°C temperature range.

