No.10634
? Low Cost
? Rail-to-Rail Output 2mV Typical VOS
? High Speed
-500 MHz, –3 dB Bandwidth (G = +1)
-420 V/μs, Slew Rate
-16 ns Settling Time to 0.1% with 2V Step
? Operates on 2.5 V to 5.5V Supplies
? Input Voltage Range = – 0.2 V to + 3.8 V with VS = 5V
? Excellent Video Specs (RL = 150Ω, G = +2)
-Gain Flatness 0.1dB to 80 MHz
-Diff Gain: 0.015 %, Diff Phase: 0.05 degree
? Low Power 8.2 mA/Amplifier Typical Supply Current
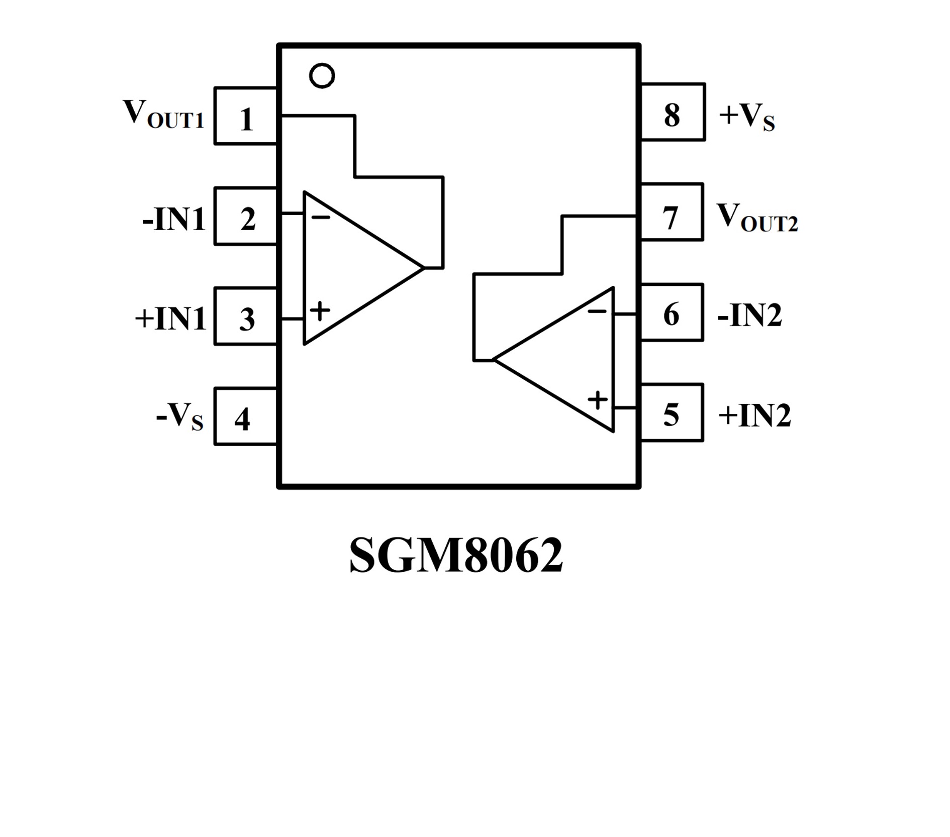
? Small Packaging SGM8062 Available in SO-8
The SGM8061, SGM8062, SGM8063 are rail-to-rail output voltage feedback amplifiers offering ease of use and low cost. They have bandwidth and slew rate typically found in current feedback amplifiers. All have a wide input common-mode voltage range and output voltage swing, making them easy to use on single supplies as low as 2.5 V. Despite being low cost, the SGM8061 series provide excellent overall performance. they offer wide bandwidth to 500 MHz (G = +1) along with 0.1 dB
flatness out to 130 MHz (G = +1) and offer a typical low power of 8.2 mA/amplifier.
The SGM8061 series is low distortion and fast settling make it ideal for buffering high speed A/D or D/A converters. All are specified over the extended –40°C to +125°C temperature range.

