No.10635
? Low Cost
? Rail-to-Rail Output 2mV Typical VOS
? High Speed
-500 MHz, –3 dB Bandwidth (G = +1)
-420 V/μs, Slew Rate
-16 ns Settling Time to 0.1% with 2V Step
? Operates on 2.5 V to 5.5V Supplies
? Input Voltage Range = – 0.2 V to + 3.8 V with VS = 5V
? Excellent Video Specs (RL = 150Ω, G = +2)
-Gain Flatness 0.1dB to 80 MHz
-Diff Gain: 0.015 %, Diff Phase: 0.05 degree
? Low Power
-8.2 mA/Amplifier Typical Supply Current
-SGM8063 75μA when Disabled
? Small Packaging
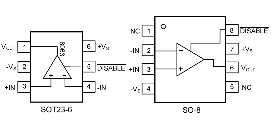
-SGM8063 Available in SO-8 and SOT23-6
The SGM8061, SGM8062, SGM8063 are rail-to-rail output voltage feedback amplifiers offering ease of use and low cost. They have bandwidth and slew rate typically found in current feedback amplifiers. All have a wide input common-mode voltage range and output voltage swing, making them easy to use on single supplies as low as 2.5 V. Despite being low cost, the SGM8061 series provide excellent overall performance. they offer wide bandwidth to 500 MHz (G = +1) along with 0.1 dB
flatness out to 130 MHz (G = +1) and offer a typical low power of 8.2 mA/amplifier.
The SGM8061 series is low distortion and fast settling make it ideal for buffering high speed A/D or D/A converters. The SGM8063 has a power-down disable feature that reduces the supply current to 75μA. These features make the SGM8063 ideal for portable and battery-powered applications where size and power are critical. All are specified over the extended –40°C to +125°C temperature range

