No.10646
● Unity-Gain Bandwidth: 220MHz
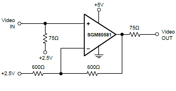
The SGM80581 (single), SGM80582 (dual) and SGM80584 (quad) of high-speed, voltage-feedback CMOS operational amplifiers are designed for video and other applications requiring wide bandwidth. They are unity-gain stable and can drive large output currents. Differential gain is 0.01% and differential phase is 0.1°. Quiescent current is only 4.5mA/Amplifier.
The SGM80581/2/4 are optimized for operation on single or dual supplies as low as 2.5V (±1.25V) and up to 5.5V (±2.75V). Input common mode range extends beyond the supplies. The output swing is within 15mV of the rails, supporting wide dynamic range.
The SGM80581/2/4 are suitable for applications requiring high continuous output current. Multichannel versions feature completely independent circuitry for lowest crosstalk and freedom from interaction.

