No.10669
? 4.5V to 12V Single Supplies or ±2.25V to ±6V Dual Power Supplies
? High Speed
100MHz -3dB Bandwidth
56MHz -0.1dB Gain Flatness
155V/μs Slew Rate
? Rail-to-Rail Output
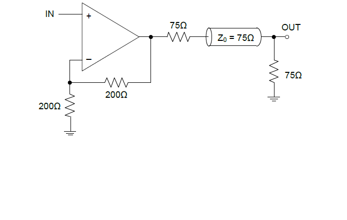
? Low Differential Gain/Phase: 0.02%/0.02°
? High Output Drive: 103mA
? -40℃ to +85℃ Operating Temperature Range
? Small Packaging:
SGM8301 Available in SOT-23-5, SOIC-8
and MSOP-8
The SGM8301 (single), SGM8302 (dual) and SGM8304 (quad) are unity gain stable devices that combine high speed performance and rail-to-rail outputs. These devices are targeted for applications where an input or an output is exposed to the outside world, such as video and communications. These devices can operate from ±2.25V to ±6V dual power supplies or from 4.5V to 12V single supplies. The common mode input voltage range extends to the negative power-supply rail (ground in single-supply applications).
The SGM8301/2/4 consume only 8.5mA of quiescent supply current per amplifier while achieving a 100MHz -3dB bandwidth, 56MHz small signal bandwidth for -0.1dB gain flatness, and a 155V/μs slew rate. The SGM8301 single is available in Green SOT-23-5, MSOP-8 and SOIC-8 packages.

