No.10677
? Rail-to-Rail Input and Output
? Input Offset Voltage: 4mV (MAX)
? High Gain-Bandwidth Product: 11MHz
? High Slew Rate: 8.5V/μs
? Settling Time to 0.1% with 2V Step: 0.21μs
? Overload Recovery Time: 0.6μs
? Low Noise: 8.5nV/√Hz at 10kHz
? Supply Voltage Range: 2.1V to 5.5V
? Input Voltage Range: -0.1V to 5.6V with VS = 5.5V
? Low Power: SGM721/3: 1.2mA (TYP)
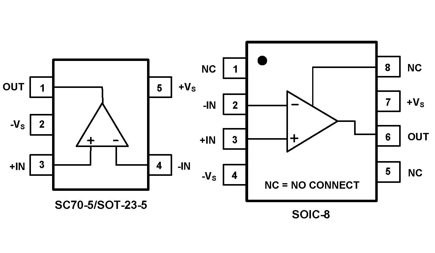
The SGM721 (single), SGM722 (dual), SGM723 (single with shutdown) and SGM724 (quad) are low noise, low voltage and low power operational amplifiers, that can be designed into a wide range of applications. The SGM721/2/3/4 have a high gain-bandwidth product of 11MHz and a slew rate of 8.5V/μs. The SGM723 has a power-down disable feature that reduces the supply current to less than 1μA. The SGM721/2/3/4 are designed to provide optimal performance in low voltage and low noise systems.
They provide rail-to-rail output swing into heavy loads. The input common mode voltage range includes ground, and the maximum input offset voltage is 4mV for SGM721/2/3/4. They are specified over the extended industrial temperature range (-40℃ to +125℃). The operating supply range is from 2.1V to 5.5V. The single version, SGM721 is available in Green SC70-5, SOT-23-5 and SOIC-8 packages.

