No.10679
? Rail-to-Rail Output
The SGM8931 (single), SGM8932 (dual), SGM8933 (single with shutdown) and SGM8934 (quad) are rail-to-rail output operational amplifiers that are optimized and fully specified for 5V operation. The SGM8931/2/3/4 have a wide input common-mode voltage range and output voltage swing, and take the minimum operating supply voltage down to 1.8V. The maximum recommended supply voltage is 5.5V.
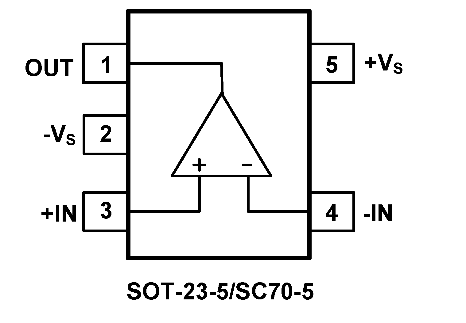
The SGM8931/2/3/4 provide excellent overall performance. They exhibit low noise, distortion and low offset, making these devices an excellent choice for high quality, low voltage or battery powered systems.The SGM8931/2/3/4 are specified over the extended -40℃ to +85℃ temperature range. The SGM8931 single is available in Green SOT-23-5, SC70-5, MSOP-8 and SOIC-8 packages.
