No.10691
? Low Quiescent Current: 710nA (TYP)
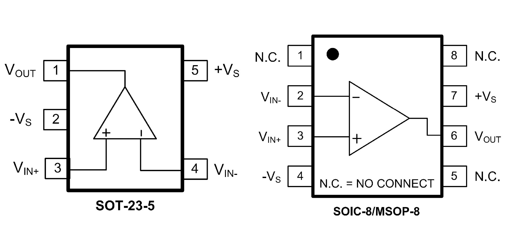
Packages
The SGM8041 is guaranteed to operate with a single supply voltage as low as 1.4V, while drawing less than 710nA (TYP) of quiescent current. This device is also designed to support rail-to-rail input and output operation. This combination of features supports battery-powered and portable applications. The SGM8041 has a gain-bandwidth product of 14.5kHz (TYP) and is unity gain stable. These specifications make this operational amplifier appropriate for low frequency applications, such as battery current monitoring and sensor conditioning.
The SGM8041 is offered in single configuration. It is specified for the extended industrial (-40℃ to +85℃) temperature range. The SGM8041 is available in the Green SOT-23-5, SOIC-8 and MSOP-8 packages.

