No.10704
The SGM8044 is guaranteed to operate with a single supply voltage as low as 1.4V, while drawing less than 670nA (TYP) of quiescent current per amplifier. This device is also designed to support rail-to-rail input and output operation. This combination of features supports battery-powered and portable applications.
The SGM8044 has a gain-bandwidth product of 15kHz (TYP) and is unity gain stable. These specifications make this operational amplifier appropriate for low frequency applications, such as battery current monitoring and sensor conditioning.
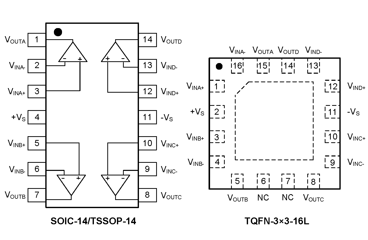
The SGM8044 is offered in quad configuration. It is specified over the extended -40℃ to +85℃ temperature range. The SGM8044 is available in the Green SOIC-14, TSSOP-14 and TQFN-3×3-16L packages.

