Low Noise Operational Amplifier
SGM8295-1
SGM8295-1.pdf
No.10731
FEATURES
? Low Noise: 4.5nV/ Hz
? Rail-to-Rail Output
? Very Low Offset Voltage: 250μV (MAX)
? Low Bias Current: ±1nA (TYP)
? High Gain-Bandwidth Product: 9MHz
? High Slew Rate: 8V/μs
? High Open-Loop Gain: 130dB at VS = ±15V
? High PSRR: 145dB
? Settling Time to 0.1% with 1V Step: 1μs
? Overload Recovery Time: 10μs
? Operating Voltage Range:
3.6V to 36V or ±1.8V to ±18V
? Input Common Mode Voltage Range:
(-VS) + 1.5V to (+VS) - 2V
? Low Supply Current:1.5mA/Amplifier (TYP)
? -40℃ to +125℃ Operating Temperature Range
? Small Packaging:
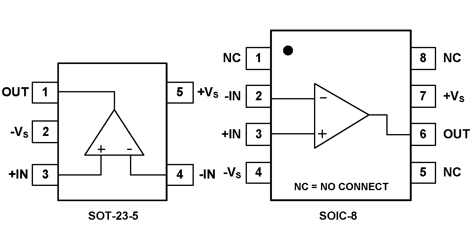
SGM8295-1 Available in Green SOT-23-5 and
SOIC-8 Packages
DESCRIPTION
The SGM8295-1 (single), SGM8295-2 (dual) and SGM8295-4 (quad) are low noise, low offset voltage and high voltage operational amplifiers, which can be designed into a wide range of applications. The SGM8295-1/2/4 have a high gain-bandwidth product of 9MHz, a slew rate of 8V/μs, and a quiescent current of 1.5mA/amplifier at wide power supply range.
The SGM8295-1/2/4 are designed to provide optimal performance in low noise systems. They provide rail-to-rail output swing into heavy loads.
The single version SGM8295-1 is available in Green SOT-23-5 and SOIC-8 packages.
APPLICATION CIRCUIT

PIN CONFIGUTION
