No.10737
? Wide Input Common Mode and Differential
Voltage Ranges
? Low Input Bias and Offset Current
? Output Short-Circuit Protection
? Rail-to-Rail Input and Output
? High Input Impedance
? Low Offset Voltage: 1mV (MAX)
? Low Noise: 9nV/ Hz at 1kHz
? Gain-Bandwidth Product: 4MHz
? High Slew Rate: 6V/μs
? Small Packaging:
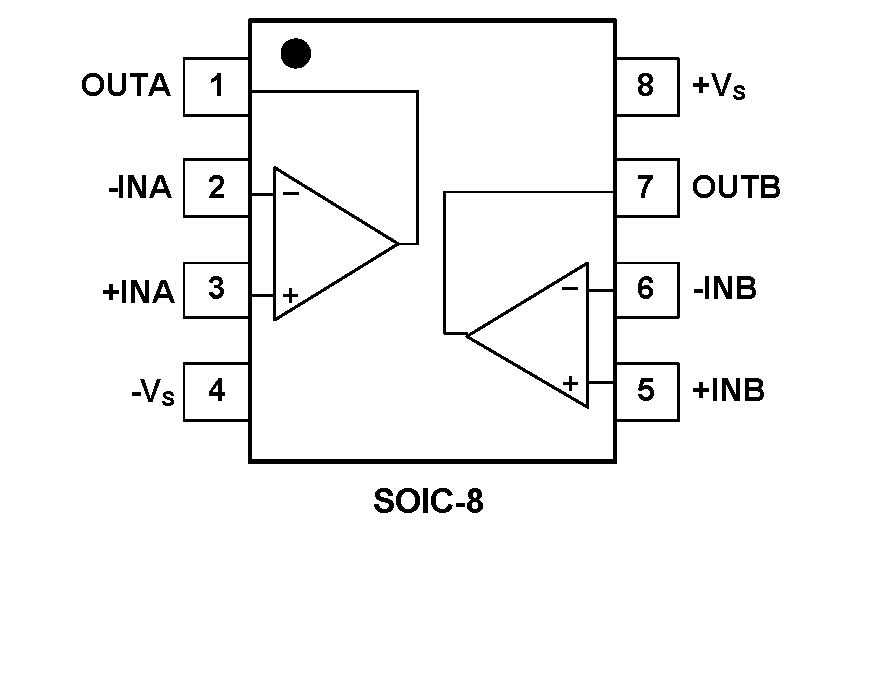
SGM8273-2 Available in Green SOIC-8 Package
The SGM8273-1 (single), SGM8273-2 (dual) and SGM8273-4 (quad) are low noise, high precision, high voltage operational amplifiers that are designed to offer a wide input common mode voltage range and output voltage swing. These devices can operate from ±1.65V to ±18V dual power supplies or from 3.3V to 36V single supplies.
The devices feature low noise, high slew rate, low input bias and offset current, low offset voltage and low offset voltage temperature coefficient.
The SGM8273-1/2/4 are specified over the extended -40℃ to +125℃ temperature range. The dual SGM8273-2 is available in Green SOIC-8 package.
