No.10813
? Supply Voltage Range: 2.5V to 5V
? Ultra Low On-Resistance: 0.6Ω (TYP) at 4.5V
? -2V Low Distortion Negative Signal Passing
? Fast Switching Times
tON = 17ns (TYP)
tOFF = 24ns (TYP)
? High Off-Isolation: -57dB at 1MHz
? Low Crosstalk: -61dB at 1MHz
? Rail-to-Rail Input and Output Operation
? 1.8V Logic Compatible Control Pin
? Break-Before-Make Switching
The SGM3718 is a negative signal passing dual single-pole/double-throw (SPDT) analog switch that is designed to operate from a single +2.5V to +5V power supply. Targeted applications include battery powered equipment that benefit from SGM3718’s ultra low on-resistance (0.6Ω) and fast switching speeds (tON = 17ns, tOFF = 24ns).
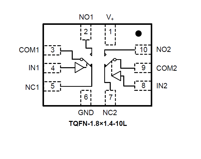
The SGM3718 has excellent on-resistance matching (0.22Ω MAX) between switches and guarantees excellent on-resistance flatness over all signal range (0.22Ω MAX). This ensures excellent linearity and low distortion when switching audio signals. The SGM3718 is a committed dual single-pole/doublethrow (SPDT) that consist of two normally open (NO) and two normally closed (NC) switches. This configuration can be used as a dual 2-to-1 multiplexer.
The SGM3718 can pass -2V ground referenced signal with very low distortion.

